有機溶劑清洗裝置GWS410
Solvent Washing Unit l 腐蝕性溶劑濕式清洗
最大流量:15L/min
世界上第一款有機溶劑清洗裝置,主要用于噴霧干燥器。
GWS410通過使用常壓和室溫下的自來水或堿性溶液來捕集有害氣體中的污染物。GWS410設計有一個清洗槽——當溶劑蒸汽進入清洗槽時,噴淋的水附著、清潔并中和溶劑粒子,然后返回槽底。
* 使用水或堿性溶液
* 消除刺激性強的溶劑
* 減少設備生銹和腐蝕
* 易于操作
* 易于維護——只需監測儲水槽內水的pH值和分子篩的狀態
規格
型號 | GWS410 |
方式 | 噴霧循環 |
循環液體 | 水 |
循環泵 | 小型磁力循環泵 |
最大流量 | 15L / min |
最大揚程 | 8m |
有害氣體清洗方式 | 鮑爾環填填充 + 水噴霧清洗 |
儲水槽容量 | 35L |
安全裝置 | 漏電保護斷路器 |
電源 | AC200V 0.35A |
外形尺寸 (WxDxH) | 800×500×1230 mm |
重量 | 約80kg |
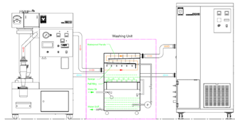
連接圖

噴霧干燥器+ GWS410有機溶劑清洗裝置+GAS410有機溶劑回收裝置
(1)從噴霧干燥器出來的有害氣體①進入清洗槽單元。
(2)通過清洗槽單元內②,一邊通過充填物③,一邊通過從噴霧嘴噴出的清洗液④,有害氣體和清洗液在此進行接觸,有害物質被清洗液吸收掉。
(3)通過多段的充填室,氣體通過煙霧收集器⑤防止清洗液排出。
(4)氣體在風機的作用下,通過⑥作為潔凈空氣排氣進入 GAS410。
(5)清洗液 A 從儲水槽通過循環泵 B 進入清洗槽, 通過噴霧噴嘴 C 散布到充填物③,通過管路 D 返回到儲水槽的循環水箱。